Захистна, запобіжна арматура

Новинка
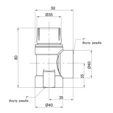
Група безпеки котла (в зборі) 1″ NV - 5029 (HT 253)
В наявності
Країна реєстрації бренду:Україна Вага брутто (кг.):0.375000 Китай:Група безпеки котла (в зборі) 1″ NV - 5029 (HT 253)
Група безпеки, призначена для автономних систем водяного опалення та систем нагрівання водонепроникності c з маркуванням до 10 бар.
Група безпеки забезпечує виконання наступних функцій: захист від збільшення тиску в системі; відвід з системи повітря і газів; індикація давності в системі на рівні манометра. В комплекті групи безпеки є автоматичний поплавковий повітряний повітропровід, запобіжний клапан і манометр.
Автоматичний повітрообмінник і манометр приєднуються до корпусу груп безпеки з допомогою обратних клапанів. Це дозволяє монтувати та демонтирувати ці продукти з більшою швидкістю та без опорочення систем.

Група безпеки встановлюється вертикально в будь -якій точці системи опалення вище котла, але бажано в місці з мінімально можливою температурою. На участку трубопроводу від котла до груп безпеки не допускають встановлення запорної арматури, фільтрів та інших елементів, які можуть зменшити його прохідне розходження.

Зливний шланг повинен відповідати діаметру вихідного отвору запобіжного клапана і продовжений таким чином, щоб не створювати перешкод для збору гарячої рідини або пари, а також не наражати небезпеці людей.

В якості ущільнювача для резбових з'єднань використовуйте ФУМ (ПТФЕ - політетрафторетилен), поліамідну нитку із силіконом, льон разом із спеціальними пастами, а також інші ущільнювальні матеріали, що забезпечують герметичність сполук при проектній температурі та тиску теплоносія та узгоджені у встановленому порядку.
Після монтажу групи безпеки необхідно проводити випробування на герметичність. Також необхідно підготувати випробування гідростатичним (гідравлічним) методом відповідно до ГОСТ 25136 та ГОСТ 24054.
1440 грн.
Країна реєстрації бренду Україна
Вага брутто (кг.) 0.375000
Китай Група безпеки котла (в зборі) 1″ NV - 5029 (HT 253)
Група безпеки, призначена для автономних систем водяного опалення та систем нагрівання водонепроникності c з маркуванням до 10 бар.
Група безпеки забезпечує виконання наступних функцій: захист від збільшення тиску в системі; відвід з системи повітря і газів; індикація давності в системі на рівні манометра. В комплекті групи безпеки є автоматичний поплавковий повітряний повітропровід, запобіжний клапан і манометр.
Автоматичний повітрообмінник і манометр приєднуються до корпусу груп безпеки з допомогою обратних клапанів. Це дозволяє монтувати та демонтирувати ці продукти з більшою швидкістю та без опорочення систем.

Група безпеки встановлюється вертикально в будь -якій точці системи опалення вище котла, але бажано в місці з мінімально можливою температурою. На участку трубопроводу від котла до груп безпеки не допускають встановлення запорної арматури, фільтрів та інших елементів, які можуть зменшити його прохідне розходження.

Зливний шланг повинен відповідати діаметру вихідного отвору запобіжного клапана і продовжений таким чином, щоб не створювати перешкод для збору гарячої рідини або пари, а також не наражати небезпеці людей.

В якості ущільнювача для резбових з'єднань використовуйте ФУМ (ПТФЕ - політетрафторетилен), поліамідну нитку із силіконом, льон разом із спеціальними пастами, а також інші ущільнювальні матеріали, що забезпечують герметичність сполук при проектній температурі та тиску теплоносія та узгоджені у встановленому порядку.
Після монтажу групи безпеки необхідно проводити випробування на герметичність. Також необхідно підготувати випробування гідростатичним (гідравлічним) методом відповідно до ГОСТ 25136 та ГОСТ 24054.
Новинка
Група безпеки котла (в зборі, червона ) 3/4″ NV - 5030 (Підключення бака)
В наявності
Країна реєстрації бренду:Україна Вага брутто (кг.):1.255000 Китай:NV - 5030 Група безпеки котла в зборі, червона
Розмір різьблення: 3/4″ (Підключення бака 3/4″)
1318 грн.
Країна реєстрації бренду Україна
Вага брутто (кг.) 1.255000
Китай NV - 5030 Група безпеки котла в зборі, червона
Розмір різьблення: 3/4″ (Підключення бака 3/4″)
Новинка
Група безпеки котла SD Plus 1" SD290
Група безпеки котла SD Plus 1" SD290 Група безпеки котла SD Plus 1" SD290
В наявності
Матеріал:Латунь Країна реєстрації бренду:Україна
1039 грн.
Матеріал Латунь
Країна реєстрації бренду Україна
Новинка
Група безпеки котла SD Plus 1" SD291
Група безпеки котла SD Plus 1" SD291 Група безпеки котла SD Plus 1" SD291
В наявності
Матеріал:Латунь Країна реєстрації бренду:Україна
675 грн.
Матеріал Латунь
Країна реєстрації бренду Україна
Новинка
Група безпеки котла Тризуб (в сборі) 1″ NV - 5106
В наявності
Країна реєстрації бренду:Україна Вага брутто (кг.):0.500000 Китай:Группа безпеки котла Тризуб (в зборі) 1″ NV - 5106
Група безпеки, призначена для автономних систем водяного опалення та систем нагрівання водонепроникності c з маркуванням до 10 бар.
Група безпеки забезпечує виконання наступних функцій: захист від збільшення тиску в системі; відвід з системи повітря і газів; індикація давності в системі на рівні манометра. В комплекті групи безпеки є автоматичний поплавковий повітряний повітропровід, запобіжний клапан і манометр.
Автоматичний повітрообмінник і манометр приєднуються до корпусу груп безпеки з допомогою обратних клапанів. Це дозволяє монтувати та демонтирувати ці продукти з більшою швидкістю та без опорочення систем.

Група безпеки встановлюється вертикально в будь -якій точці системи опалення вище котла, але бажано в місці з мінімально можливою температурою. На участку трубопроводу від котла до груп безпеки не допускають встановлення запорної арматури, фільтрів та інших елементів, які можуть зменшити його прохідне розходження.

Зливний шланг повинен відповідати діаметру вихідного отвору запобіжного клапана і продовжений таким чином, щоб не створювати перешкод для збору гарячої рідини або пари, а також не наражати небезпеці людей.

В якості ущільнювача для резбових з'єднань використовуйте ФУМ (ПТФЕ - політетрафторетилен), поліамідну нитку із силіконом, льон разом із спеціальними пастами, а також інші ущільнювальні матеріали, що забезпечують герметичність сполук при проектній температурі та тиску теплоносія та узгоджені у встановленому порядку.
Після монтажу групи безпеки необхідно проводити випробування на герметичність. Також необхідно підготувати випробування гідростатичним (гідравлічним) методом відповідно до ГОСТ 25136 та ГОСТ 24054.
949 грн.
Країна реєстрації бренду Україна
Вага брутто (кг.) 0.500000
Китай Группа безпеки котла Тризуб (в зборі) 1″ NV - 5106
Група безпеки, призначена для автономних систем водяного опалення та систем нагрівання водонепроникності c з маркуванням до 10 бар.
Група безпеки забезпечує виконання наступних функцій: захист від збільшення тиску в системі; відвід з системи повітря і газів; індикація давності в системі на рівні манометра. В комплекті групи безпеки є автоматичний поплавковий повітряний повітропровід, запобіжний клапан і манометр.
Автоматичний повітрообмінник і манометр приєднуються до корпусу груп безпеки з допомогою обратних клапанів. Це дозволяє монтувати та демонтирувати ці продукти з більшою швидкістю та без опорочення систем.

Група безпеки встановлюється вертикально в будь -якій точці системи опалення вище котла, але бажано в місці з мінімально можливою температурою. На участку трубопроводу від котла до груп безпеки не допускають встановлення запорної арматури, фільтрів та інших елементів, які можуть зменшити його прохідне розходження.

Зливний шланг повинен відповідати діаметру вихідного отвору запобіжного клапана і продовжений таким чином, щоб не створювати перешкод для збору гарячої рідини або пари, а також не наражати небезпеці людей.

В якості ущільнювача для резбових з'єднань використовуйте ФУМ (ПТФЕ - політетрафторетилен), поліамідну нитку із силіконом, льон разом із спеціальними пастами, а також інші ущільнювальні матеріали, що забезпечують герметичність сполук при проектній температурі та тиску теплоносія та узгоджені у встановленому порядку.
Після монтажу групи безпеки необхідно проводити випробування на герметичність. Також необхідно підготувати випробування гідростатичним (гідравлічним) методом відповідно до ГОСТ 25136 та ГОСТ 24054.
Новинка
Запобіжний клапан Icma 1" ВР 3 бар №241
Запобіжний клапан Icma 1" ВР 3 бар №241 Запобіжний клапан Icma 1" ВР 3 бар №241
В наявності
Матеріал:Латунь Країна реєстрації бренду:Італія
819 грн.
Матеріал Латунь
Країна реєстрації бренду Італія
Новинка
Запобіжний клапан Icma 1/2" ВЗ 2,5 бар №242
Запобіжний клапан Icma 1/2" ВЗ 2,5 бар №242 Запобіжний клапан Icma 1/2" ВЗ 2,5 бар №242
В наявності
Матеріал:Латунь Країна реєстрації бренду:Італія
433 грн.
Матеріал Латунь
Країна реєстрації бренду Італія
Новинка
Запобіжний клапан Icma 1/2" ВР 1,5 бар №241
Запобіжний клапан Icma 1/2" ВР 1,5 бар №241 Запобіжний клапан Icma 1/2" ВР 1,5 бар №241
В наявності
Матеріал:Латунь Країна реєстрації бренду:Італія
397 грн.
Матеріал Латунь
Країна реєстрації бренду Італія
Новинка
Запобіжний клапан Icma 1/2" ВР 2 бар №241
Запобіжний клапан Icma 1/2" ВР 2 бар №241 Запобіжний клапан Icma 1/2" ВР 2 бар №241
В наявності
Матеріал:Латунь Країна реєстрації бренду:Італія
397 грн.
Матеріал Латунь
Країна реєстрації бренду Італія
Новинка
Запобіжний клапан Icma 1/2" ВР 2,5 бар №241
Запобіжний клапан Icma 1/2" ВР 2,5 бар №241 Запобіжний клапан Icma 1/2" ВР 2,5 бар №241
В наявності
Матеріал:Латунь Країна реєстрації бренду:Італія
397 грн.
Матеріал Латунь
Країна реєстрації бренду Італія
Новинка
Запобіжний клапан Icma 1/2" ВР 3 бар №241
Запобіжний клапан Icma 1/2" ВР 3 бар №241 Запобіжний клапан Icma 1/2" ВР 3 бар №241
В наявності
Матеріал:Латунь Країна реєстрації бренду:Італія
397 грн.
Матеріал Латунь
Країна реєстрації бренду Італія
Новинка
Запобіжний клапан Icma 1/2" ВР 6 бар №241
Запобіжний клапан Icma 1/2" ВР 6 бар №241 Запобіжний клапан Icma 1/2" ВР 6 бар №241
В наявності
Матеріал:Латунь Країна реєстрації бренду:Італія
397 грн.
Матеріал Латунь
Країна реєстрації бренду Італія
Новинка
Запобіжний клапан SD Plus 1/2" ВР 1,5 бар SD24415
Запобіжний клапан SD Plus 1/2" ВР 1,5 бар SD24415 Запобіжний клапан SD Plus 1/2" ВР 1,5 бар SD24415
В наявності
Матеріал:Латунь Країна реєстрації бренду:Україна
151 грн.
Матеріал Латунь
Країна реєстрації бренду Україна
Новинка
Запобіжний клапан SD Plus 1/2" ВР 2,5 бар SD24425
Запобіжний клапан SD Plus 1/2" ВР 2,5 бар SD24425 Запобіжний клапан SD Plus 1/2" ВР 2,5 бар SD24425
В наявності
Матеріал:Латунь Країна реєстрації бренду:Україна
151 грн.
Матеріал Латунь
Країна реєстрації бренду Україна
Новинка
Запобіжний клапан SD Plus 1/2" ВР 3 бар SD2443
Запобіжний клапан SD Plus 1/2" ВР 3 бар SD2443 Запобіжний клапан SD Plus 1/2" ВР 3 бар SD2443
В наявності
Матеріал:Латунь Країна реєстрації бренду:Україна
151 грн.
Матеріал Латунь
Країна реєстрації бренду Україна

Захистна, запобіжна арматура
icon_callback Виклик icon_viber Вайбер icon_teleg Телеграм icon_mes Месенджер